Добро пожаловать на наш сайт
Добро пожаловать на наш сайт по заказу опор освещения!
Мы рады видеть вас среди наших потенциальных заказчиков и готовы предложить вам качественные решения для эффективного и надежного уличного освещения, силовых опор контактной сети.
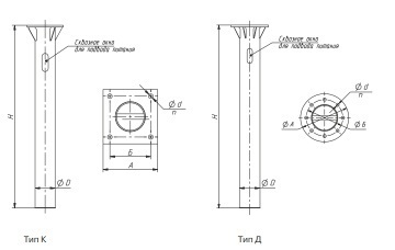
Наша компания специализируется на производстве и поставке надежных силовых опор различного назначения. Мы предлагаем широкий ассортимент продукции, соответствующей высоким стандартам качества и надежности. Среди наших предложений:
✔️ Осветительные опоры: прочные и долговечные изделия для обустройства городских улиц, парков, скверов и площадей.
✔️ Силовые опоры: предназначенные не только для установки осветительных приборов, но и для передачи электрической энергии по линии электропередачи (ЛЭП). Они являются частью энергосетевой инфраструктуры и используются для поддержки проводов, по которым передаётся электричество.
✔️ Анти-вандальные конструкции: специальные опоры повышенной прочности, устойчивые к механическим повреждениям и неблагоприятным погодным условиям.
Выбирая нашу продукцию, вы получаете:
- Высокое качество материалов и изготовления,
- Надежность и долговечность конструкций,
- Индивидуальный подход к каждому клиенту,
- Профессиональную консультацию и помощь в выборе оптимального варианта.
Приглашаем ознакомиться с нашим каталогом и сделать заказ прямо сейчас!
